1 (614) 855-1103
AllFerrariParts@gmail.com
Cleveland, Ohio
Home
About Us
Cars for Sale
Contact Us
View Request Cart
Parts Diagrams
Ferrari 206 GT Dino Parts
Ferrari 208 GT4 Dino Parts
Ferrari 208 GTB/GTS Parts
Ferrari 208 GTB/GTS Turbo (1980-1982) Parts
Parts Ferrari 208 GTB/GTS Turbo (1983-1989) Parts
Ferrari 246 GT (Series L,M to VIN #2130) Parts
Ferrari 246 Dino GT/GTS (Series E after VIN #2130)
Ferrari 250 GT PF Parts
Ferrari 275 Bodywork Parts
Ferrari 275 GTB/GTS 2 Cam Mechanical Parts Diagrams
Ferrari 275 GTB4 Mechanical Parts
Ferrari 288 GTO Parts
Ferrari 308 GT4 Dino (through 1976) Parts Diagrams
Ferrari 308 GT4 Dino (after 1976) Parts Diagrams
Ferrari 308 GTB (Fiberglass body 1976) Parts
Ferrari 308 GTB/GTS (steel body after 1976) Parts
Ferrari 308 GTBi/GTSi Parts
Ferrari 308 GTB/GTS Quattrovalvole Parts
Ferrari 328 GTB/GTS (1985-1987) Parts Diagrams
Ferrari 328 GTB/GTS (1988 -1989 inc. ABS brakes) Parts Diagrams
Ferrari 330 GT 2+2 (Series 1, 2) Parts
Ferrari 330/365 GTC Parts
Ferrari 348 tb/ts (1989-1993) Parts Diagrams
Ferrari 348 GTB/GTS/Spider (1993-1995) Parts Diagrams
Ferrari 348 Challenge Parts
Ferrari 355 (1994 -1995 2.7 Motronic) Parts
Ferrari 355 (1996-1999 5.7 Motronic) Parts
Ferrari 355 Challenge (1996) Parts
Ferrari 355 Challenge (1999) Parts
Ferrari 360 Modena Parts
Ferrari 360 Spider Parts
Ferrari 360 Challenge Parts
Ferrari 360 Challenge Stradale Parts
Ferrari 365 GT 2+2 Parts
Ferrari 365 GT4 2+2 Parts Diagrams
Ferrari 365 GT4 Berlinetta Boxer Parts
Ferrari 365 GTB/4 Daytona Parts
Ferrari 365 GTC/4 Parts
Ferrari 400 GT Parts
Ferrari 400 GTi Parts Diagrams
Ferrari 400i Parts
Ferrari 412 Parts
Ferrari 430 Challenge Parts
Ferrari 430 Coupé Parts
Ferrari 430 Coupe Scuderia Parts
Ferrari 430 Spider Parts
Ferrari 430 Spider Scuderia 16M Parts
Ferrari 456 GT/GTA Parts Diagrams
Ferrari 456 M GT/GTA Parts Diagrams
Ferrari 458 Italia Parts
Ferrari 458 Speciale Parts
Ferrari 458 Spider Parts
Ferrari 488 GTB Parts
Ferrari 488 Spider Parts
Ferrari 512 BB Parts
Ferrari 512 BBi Parts
Ferrari 512 TR Parts
Ferrari 512 M Parts
Ferrari 550 Maranello Parts
Ferrari 550 Barchetta Parts
Ferrari 575M Maranello Parts
Ferrari 575 Superamerica Parts
Ferrari 599 GTB Fiorano Parts
Ferrari 599 GTO Parts
Ferrari 612 Scaglietti Parts
Ferrari 612 Sessanta Parts
Ferrari California (2008-2011) Parts Diagrams
Ferrari California 30 (2012-2014) Parts Diagrams
Ferrari California Turbo (2014-2017) Parts Diagrams
Ferrari Enzo Parts
Ferrari F40 Parts
Ferrari F12 Berlinetta Parts
Ferrari F50 Parts
Ferrari FF Parts
Ferrari GTC4 Lusso Parts
Ferrari La Ferrari Parts
Ferrari Mondial 8 Parts
Ferrari Mondial 3.0 QV Parts
Ferrari Mondial 3.2 QV Parts
Ferrari Mondial t 3.4 Coupe/Cabriolet Parts Diagrams
Ferrari SA Aperta Parts
Ferrari Testarossa (1984-1987) Parts
Ferrari Testarossa (1987-1991) Parts
Home
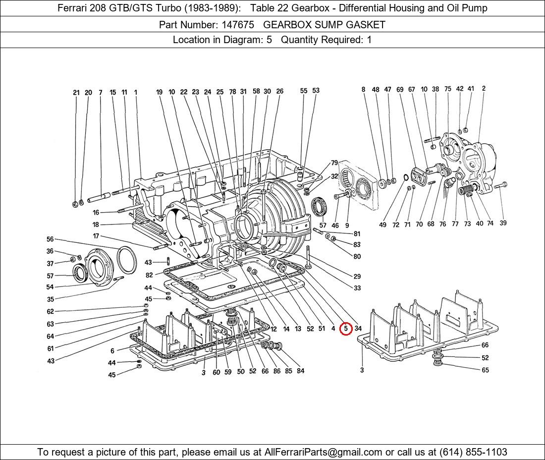
> Ferrari Part 147675 in Ferrari 208 GTB/GTS Turbo (1983-1989)
Ferrari Part 147675 in Ferrari 208 GTB/GTS Turbo (1983-1989)
$32.00
Home
|
Search Tips
|
Request Parts / Spares
|
Contact Us
|
Cars for Sale
Neither Tom Vail's All Ferrari Parts Inc. nor allferrariparts.com is sponsored by, endorsed by, or has any association with Ferrari S.p.A.