Ferrari Part Number 31716.22 in Ferrari 308 GT4 (1976) Table 11A Weber 40 Dcnf Carbs (1 Distributor)

Product Description

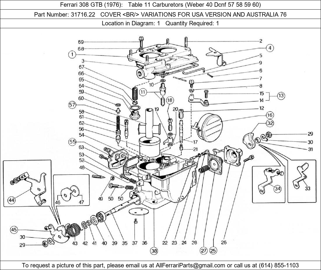
Ferrari Part 31716.22, COVER
VARIATIONS FOR USA VERSION AND AUSTRALIA 76, shown here as used in Ferrari 308 GT4 (1976) Table 11A Weber 40 Dcnf Carbs (1 Distributor). Other uses of this part are shown below:

Ferrari Part 31716.22

Ferrari Part 31716.22

Ferrari Part 31716.22

Ferrari Part 31716.22

Ferrari Part 31716.22