Ferrari Part Number 4R4 in Ferrari 330 GT 2+2 Table 37 Steering Wheel and Steering Shaft

Product Description

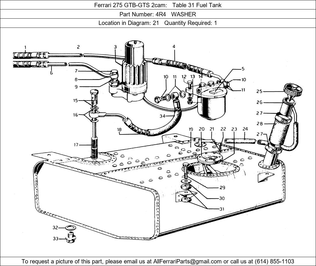
Ferrari Part 4R4, WASHER, shown here as used in Ferrari 330 GT 2+2 Table 37 Steering Wheel and Steering Shaft. Other uses of this part are shown below:

Ferrari Part 4R4

Ferrari Part 4R4

Ferrari Part 4R4

Ferrari Part 4R4

Ferrari Part 4R4

Ferrari Part 4R4

Ferrari Part 4R4