Ferrari Part 100517 HYDRAULIC GUIDE PUMP TANK

Ferrari Part 100517 HYDRAULIC GUIDE PUMP TANK

Product Description

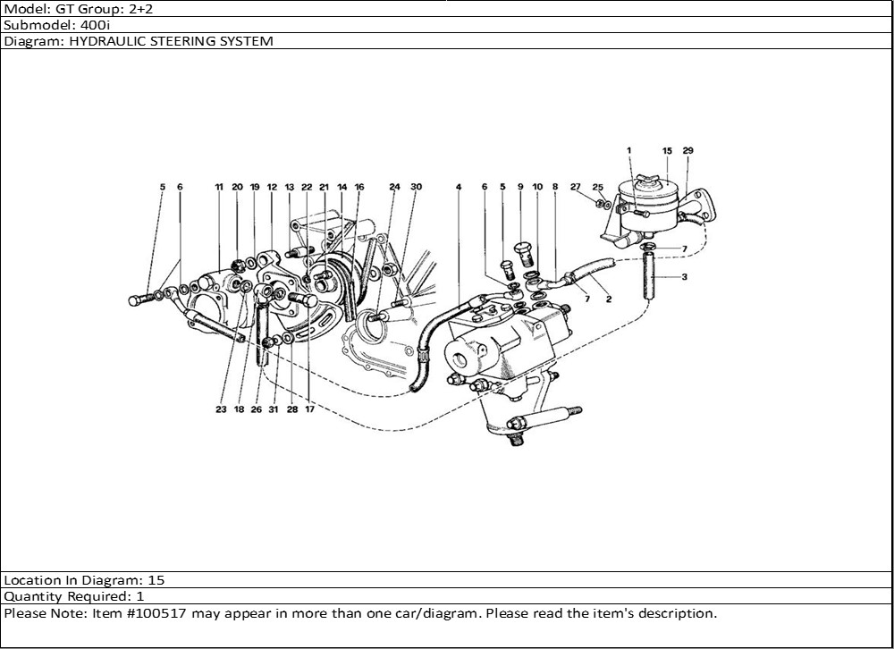
Ferrari Part 100517 HYDRAULIC GUIDE PUMP TANK. Click on any diagrams below to see particular uses of this Ferrari part number:

Ferrari Part 100517

Ferrari Part 100517

Ferrari Part 100517

Ferrari Part 100517

Ferrari Part 100517

Ferrari Part 100517