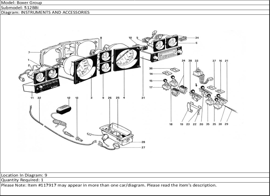
Ferrari Part 117917 WATER PRESSURE GAUGE

Ferrari Part 117917 WATER PRESSURE GAUGE
$177.00

Product Description

Ferrari Part 117917 WATER PRESSURE GAUGE. Click on any diagrams below to see particular uses of this Ferrari part number:

Ferrari Part 117917