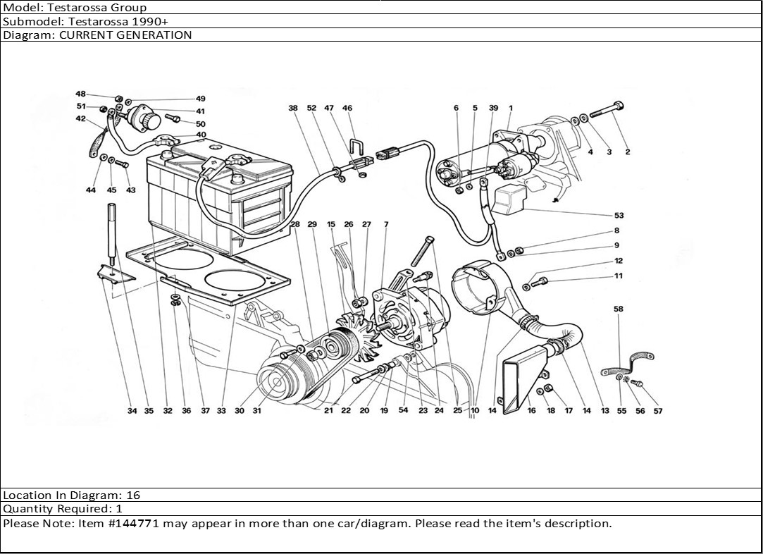
Ferrari Part 144771 AIR-DELIVERY HOSE

Ferrari Part 144771 AIR-DELIVERY HOSE
$236.00

Product Description

Ferrari Part 144771 AIR-DELIVERY HOSE. Click on any diagrams below to see particular uses of this Ferrari part number:

Ferrari Part 144771