Ferrari Part 201935 COMPLETE SENSOR KIT

Ferrari Part 201935 COMPLETE SENSOR KIT
$712.00

Product Description

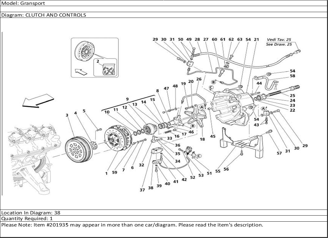
Ferrari Part 201935 COMPLETE SENSOR KIT. Click on any diagrams below to see particular uses of this Ferrari part number:

Ferrari Part 201935

Ferrari Part 201935

Ferrari Part 201935

Ferrari Part 201935

Ferrari Part 201935

Ferrari Part 201935

Ferrari Part 201935

Ferrari Part 201935

Ferrari Part 201935

Ferrari Part 201935

Ferrari Part 201935