Ferrari Part 520622 GASKET OR SEAL

Ferrari Part 520622 GASKET OR SEAL
$7.00

Product Description

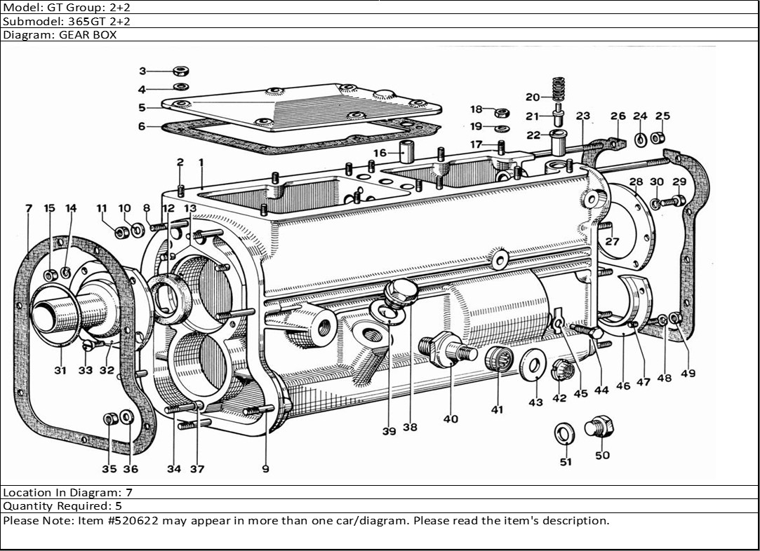
Ferrari Part 520622 GASKET OR SEAL. Click on any diagrams below to see particular uses of this Ferrari part number:

Ferrari Part 520622

Ferrari Part 520622