Ferrari Part - in Ferrari 365 GT 2+2

Product Description

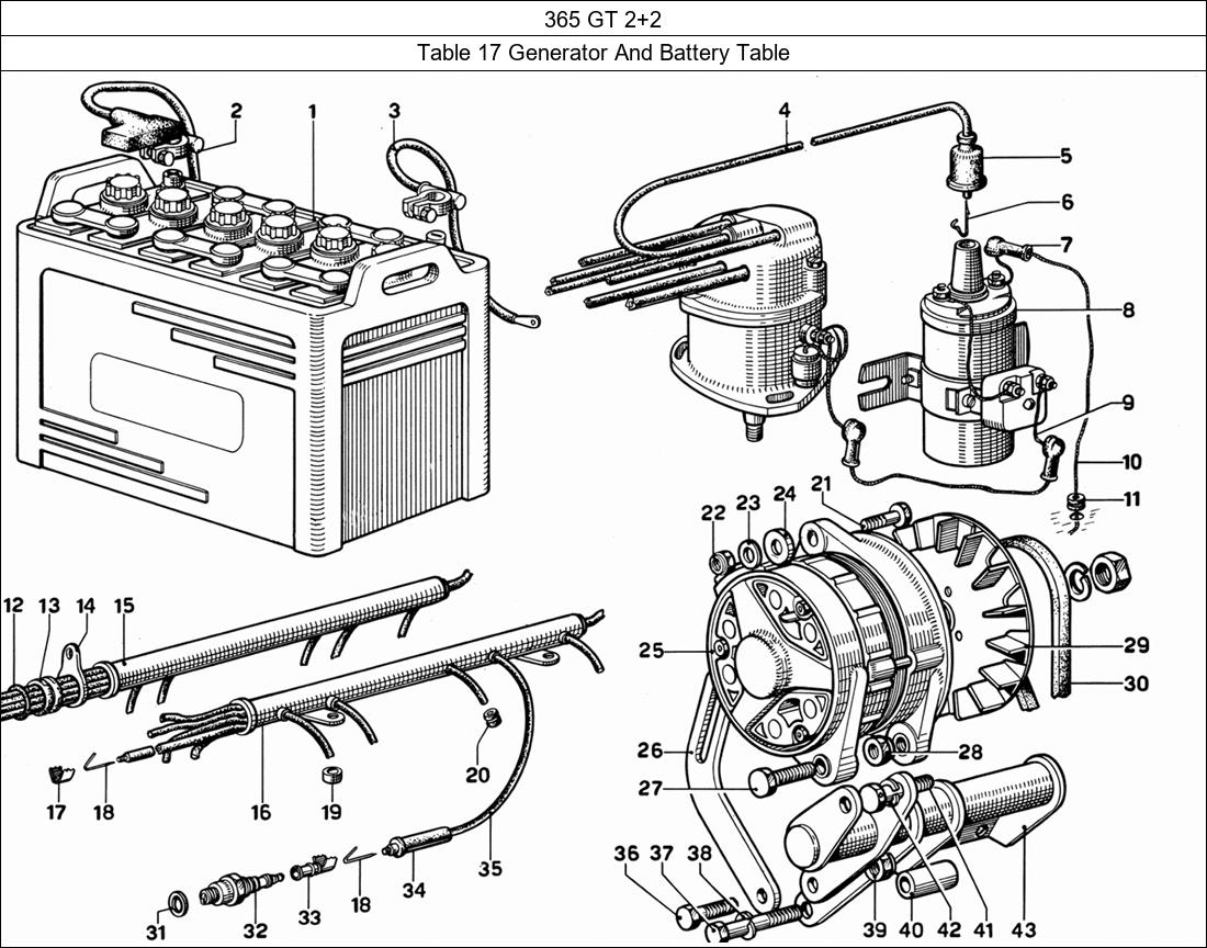
Ferrari Part Number -, NUT shown here as used in 365 GT 2+2 Table 17 Generator And Battery Table. Location in Diagram: 44. Required Quantity: 1