Ferrari Part - in Ferrari 365 GT 2+2

Product Description

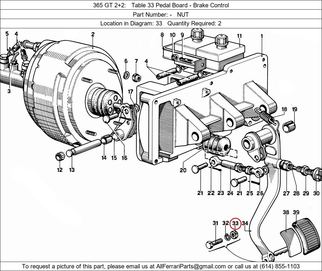
Ferrari Part Number -, NUT shown here as used in 365 GT 2+2 Table 33 Pedal Board - Brake Control. Location in Diagram: 33. Required Quantity: 2