Product Description
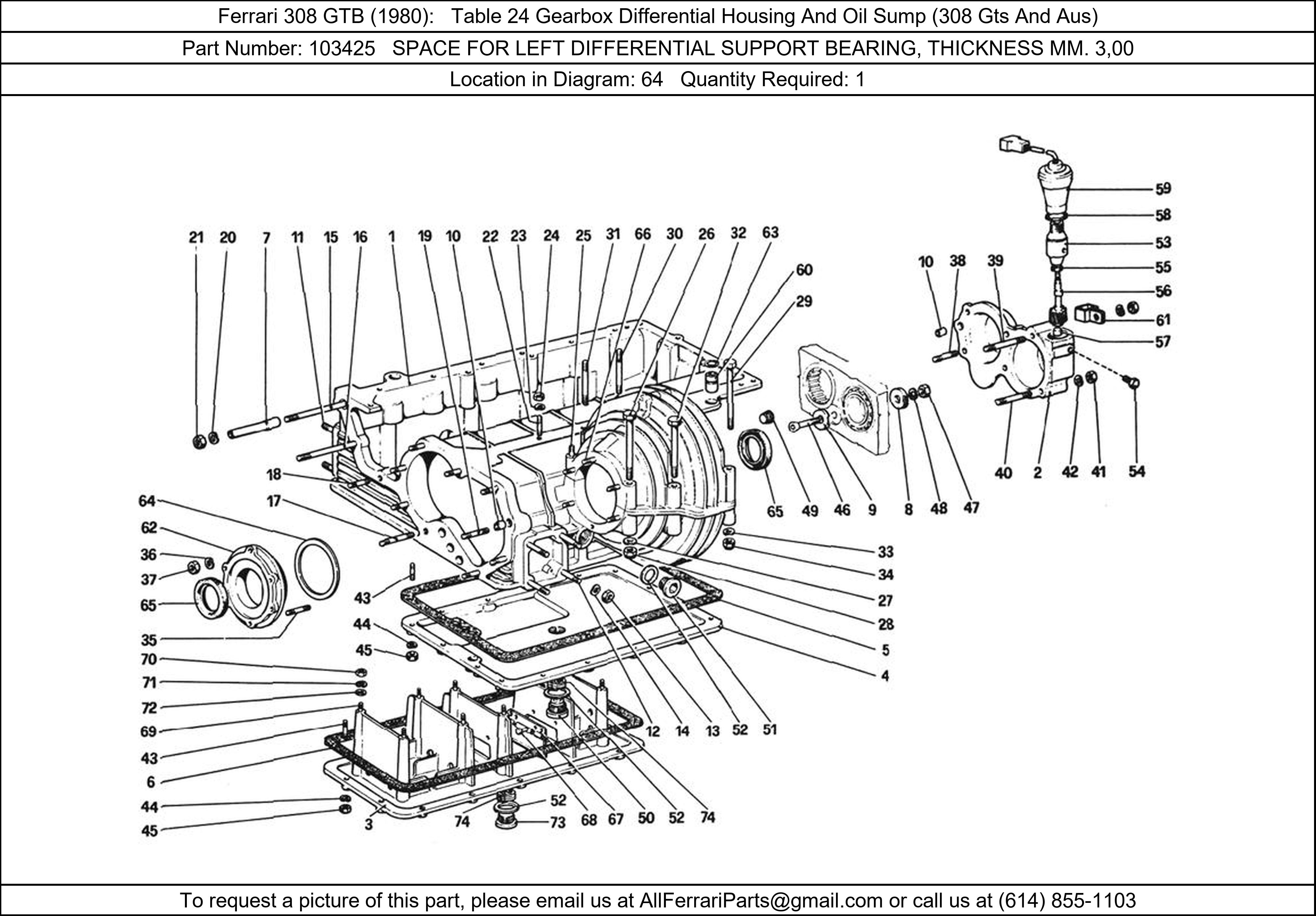
Ferrari Part 103425, SPACE FOR LEFT DIFFERENTIAL SUPPORT BEARING, THICKNESS MM. 3,00, shown here as used in Ferrari 308 GTB (1980) Table 23 Gearbox Differential Housing And Oil Sump (308 Gtb). Other uses of this part are shown below:



















