Ferrari Part Number 103786 in Ferrari 308 GTB (1976) Table 10 Carburetors And Air Cleaner

$113.00

Product Description

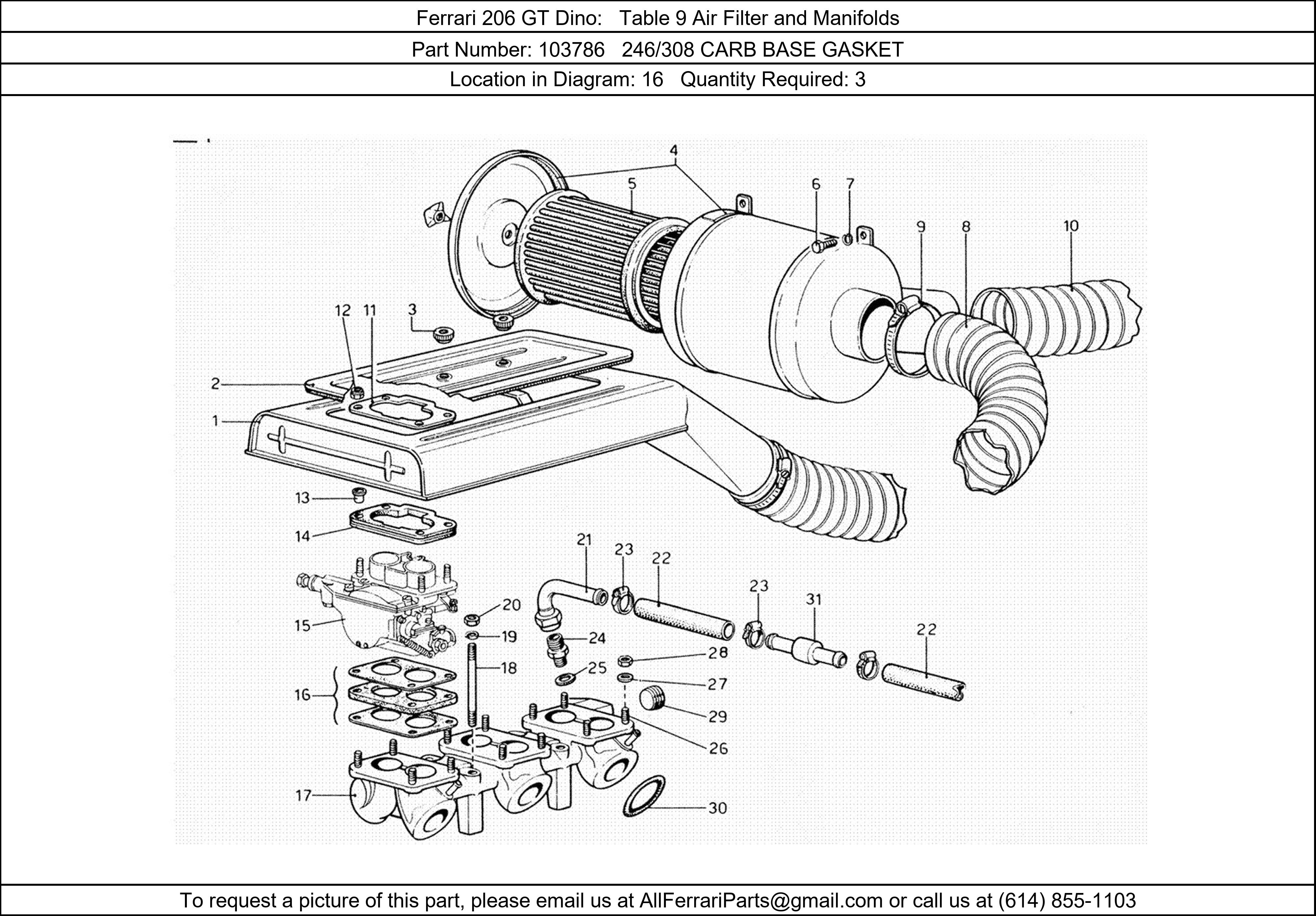
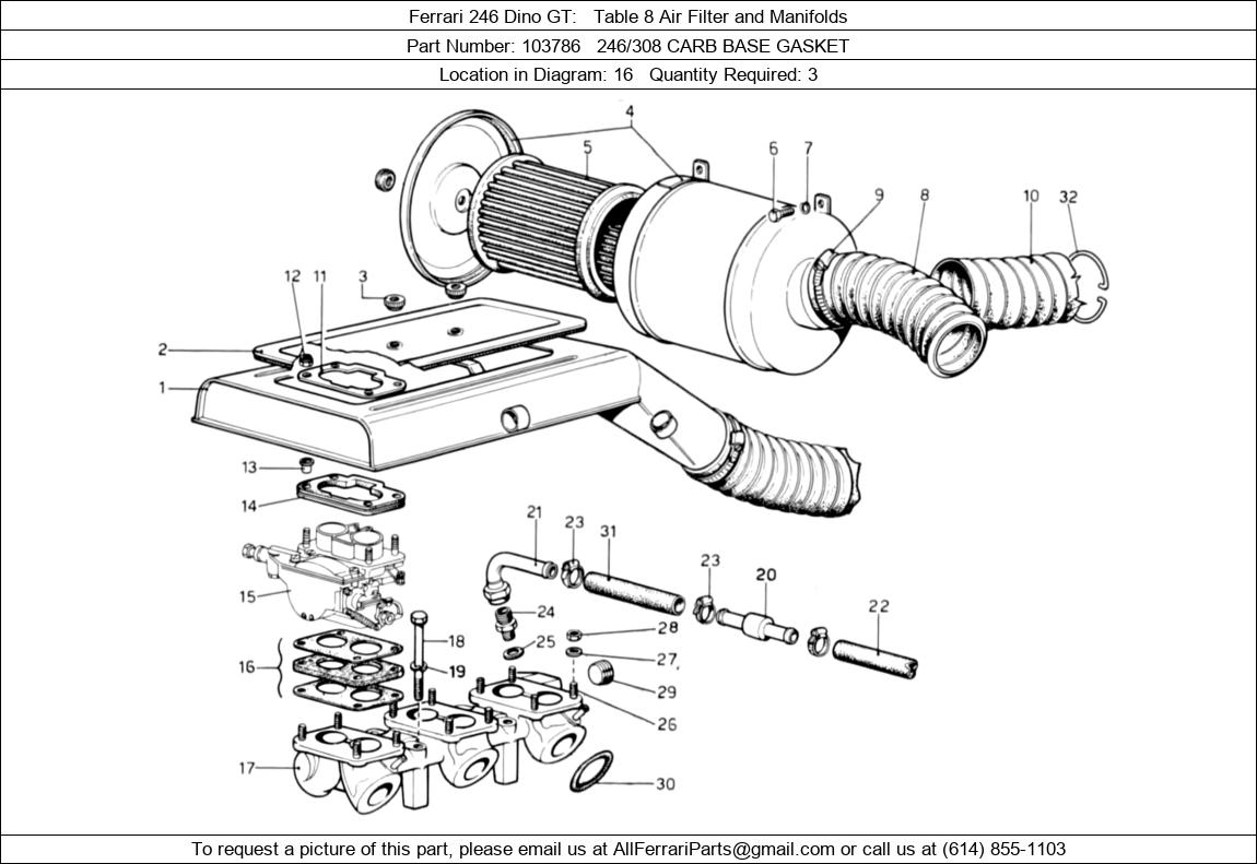
Ferrari Part 103786, 246/308 CARB BASE GASKET, shown here as used in Ferrari 308 GTB (1976) Table 10 Carburetors And Air Cleaner. Other uses of this part are shown below:

Ferrari Part 103786

Ferrari Part 103786

Ferrari Part 103786

Ferrari Part 103786

Ferrari Part 103786