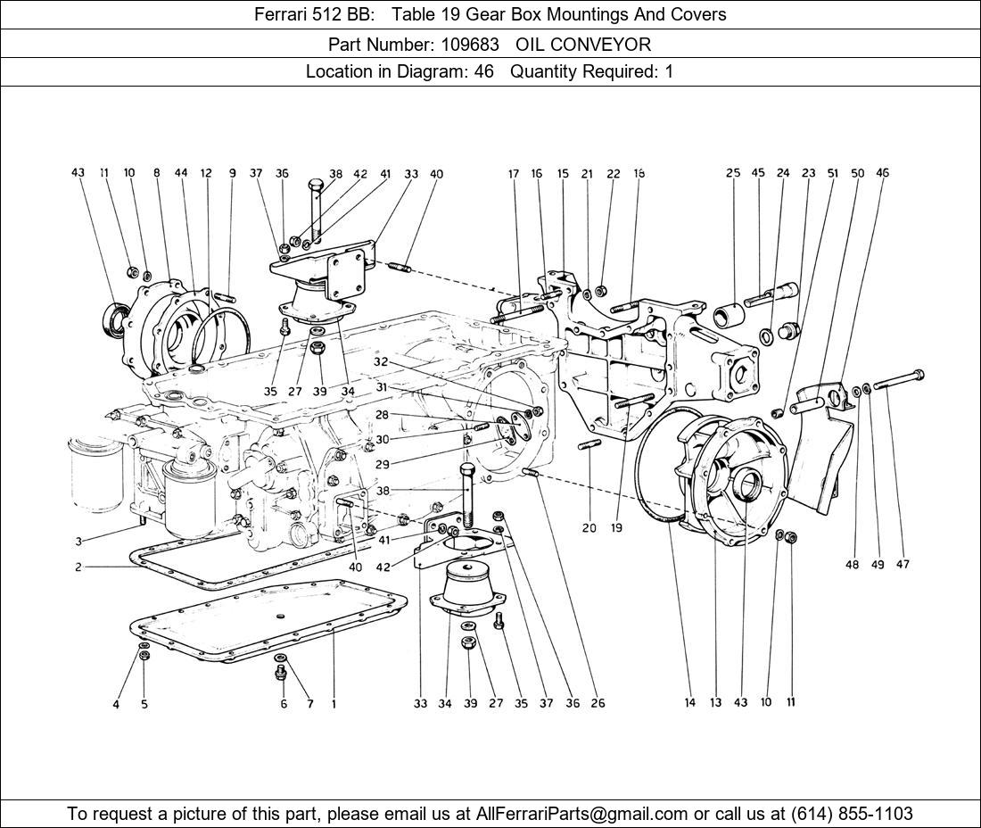
Ferrari Part Number 109683 in Ferrari Testarossa (1990) Table 31 Gearbox Mounting And Covers

$69.00

Product Description

Ferrari Part 109683, OIL CONVEYOR, shown here as used in Ferrari Testarossa (1990) Table 31 Gearbox Mounting And Covers. Other uses of this part are shown below:

Ferrari Part 109683

Ferrari Part 109683

Ferrari Part 109683

Ferrari Part 109683

Ferrari Part 109683

Ferrari Part 109683