Home > Ferrari Part Number 121059 in Ferrari 512 TR Table 22 Lubrication Pumps And Oil Filter
Ferrari Part Number 121059 in Ferrari 512 TR Table 22 Lubrication Pumps And Oil Filter
Product Description
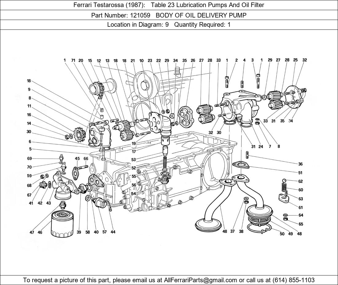
Ferrari Part 121059, BODY OF OIL DELIVERY PUMP, shown here as used in Ferrari 512 TR Table 22 Lubrication Pumps And Oil Filter. Other uses of this part are shown below: