Ferrari Part Number 122592 in Ferrari 412 Table 1 Crankcase

$1,390.00

Product Description

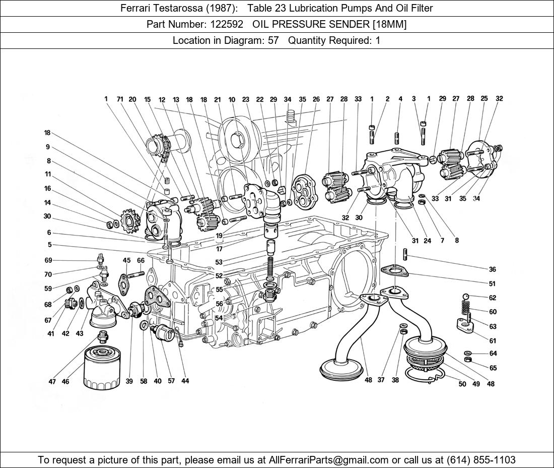
Ferrari Part 122592, OIL PRESSURE SENDER [18MM], shown here as used in Ferrari 412 Table 1 Crankcase. Other uses of this part are shown below:

Ferrari Part 122592

Ferrari Part 122592

Ferrari Part 122592

Ferrari Part 122592

Ferrari Part 122592

Ferrari Part 122592

Ferrari Part 122592

Ferrari Part 122592