Ferrari Part Number 15541531 in Ferrari Mondial QV Table 38 Front Suspension Wishbones

$9.00

Product Description

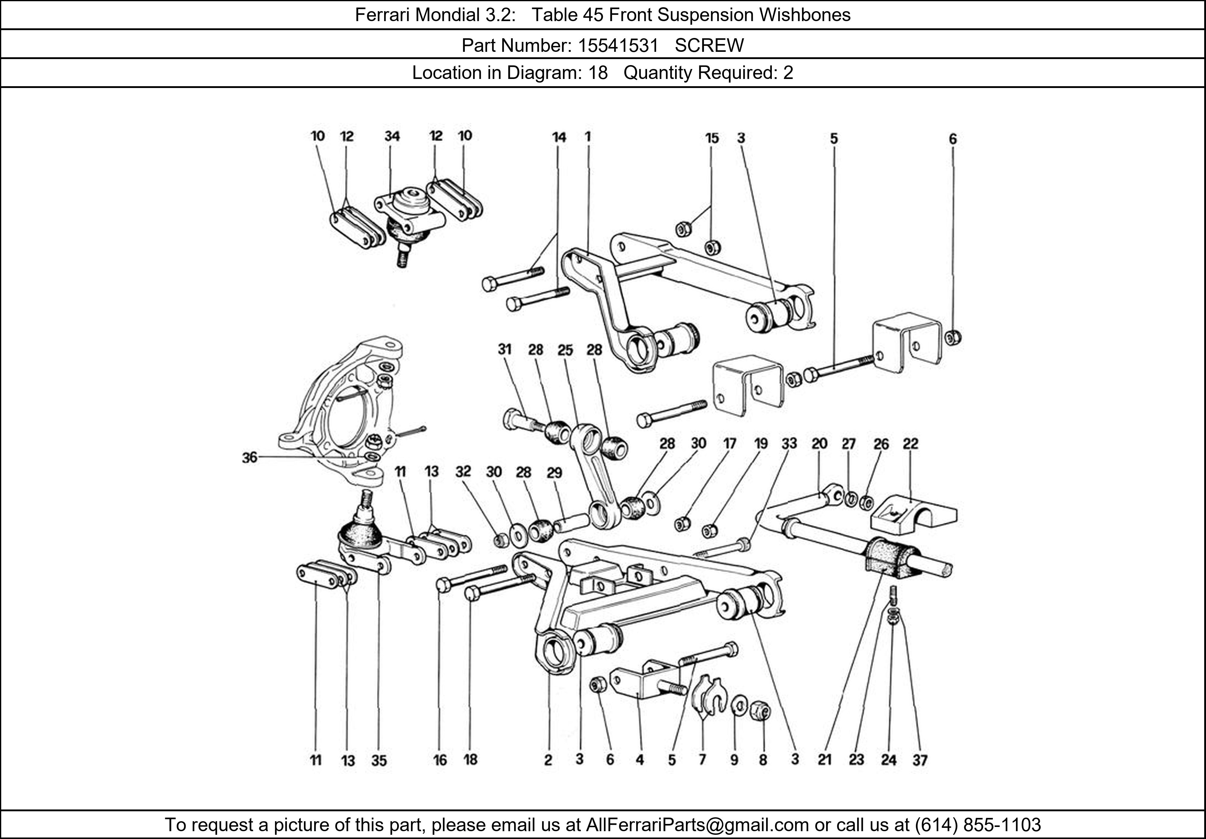
Ferrari Part 15541531, SCREW, shown here as used in Ferrari Mondial QV Table 38 Front Suspension Wishbones. Other uses of this part are shown below:

Ferrari Part 15541531

Ferrari Part 15541531

Ferrari Part 15541531

Ferrari Part 15541531

Ferrari Part 15541531