Ferrari Part Number 16102324 in Ferrari 456 GT Table 43 Pedals And Accelerator Control Rhd

Product Description

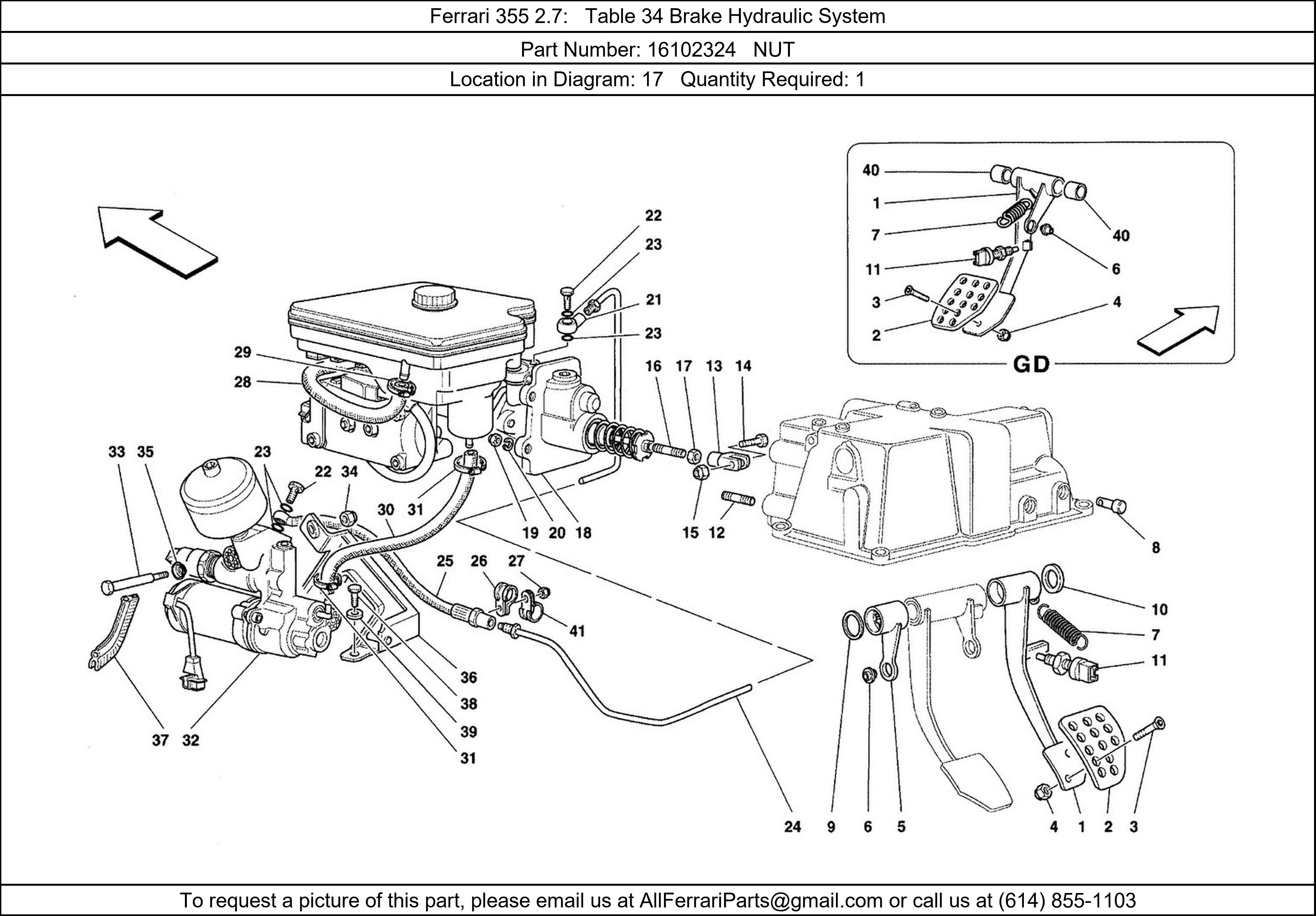
Ferrari Part 16102324, NUT, shown here as used in Ferrari 456 GT Table 43 Pedals And Accelerator Control Rhd. Other uses of this part are shown below:

Ferrari Part 16102324

Ferrari Part 16102324

Ferrari Part 16102324

Ferrari Part 16102324

Ferrari Part 16102324

Ferrari Part 16102324

Ferrari Part 16102324

Ferrari Part 16102324

Ferrari Part 16102324

Ferrari Part 16102324

Ferrari Part 16102324

Ferrari Part 16102324

Ferrari Part 16102324