Ferrari Part Number 168008 in Ferrari 365 GT 2+2 Table 41 Radiator And Water Pump

$107.00

Product Description

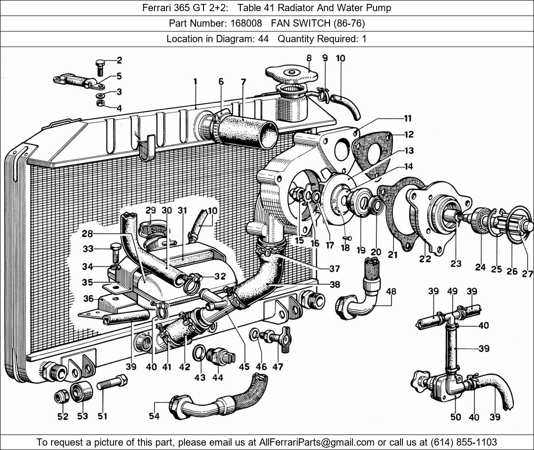
Ferrari Part 168008, FAN SWITCH (86-76), shown here as used in Ferrari 365 GT 2+2 Table 41 Radiator And Water Pump. Other uses of this part are shown below:

Ferrari Part 168008

Ferrari Part 168008

Ferrari Part 168008

Ferrari Part 168008

Ferrari Part 168008

Ferrari Part 168008

Ferrari Part 168008