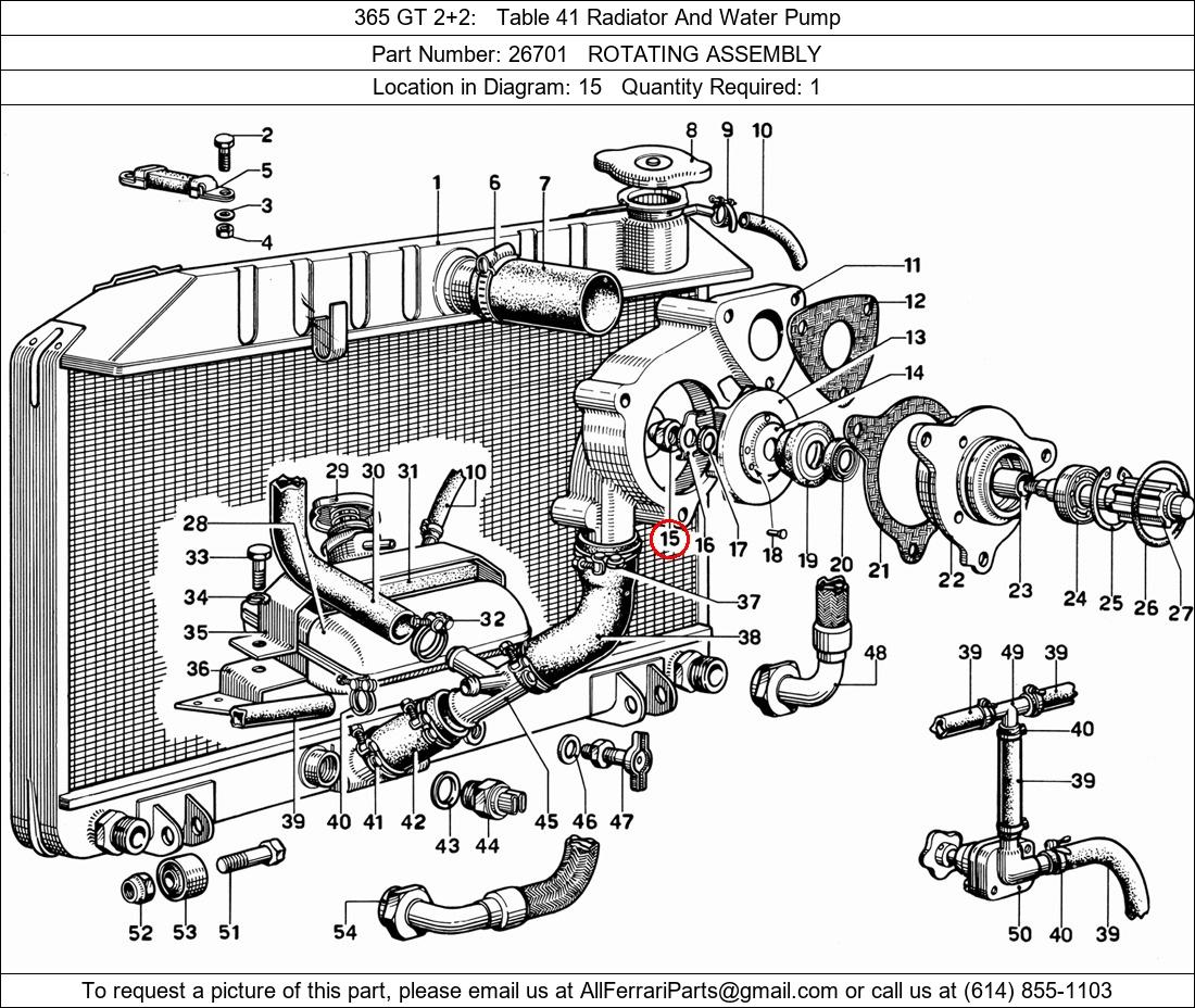
Ferrari Part 26701 in Ferrari 365 GT 2+2

Product Description

Ferrari Part Number 26701, ROTATING ASSEMBLY shown here as used in 365 GT 2+2 Table 41 Radiator And Water Pump. Location in Diagram: 15. Required Quantity: 1