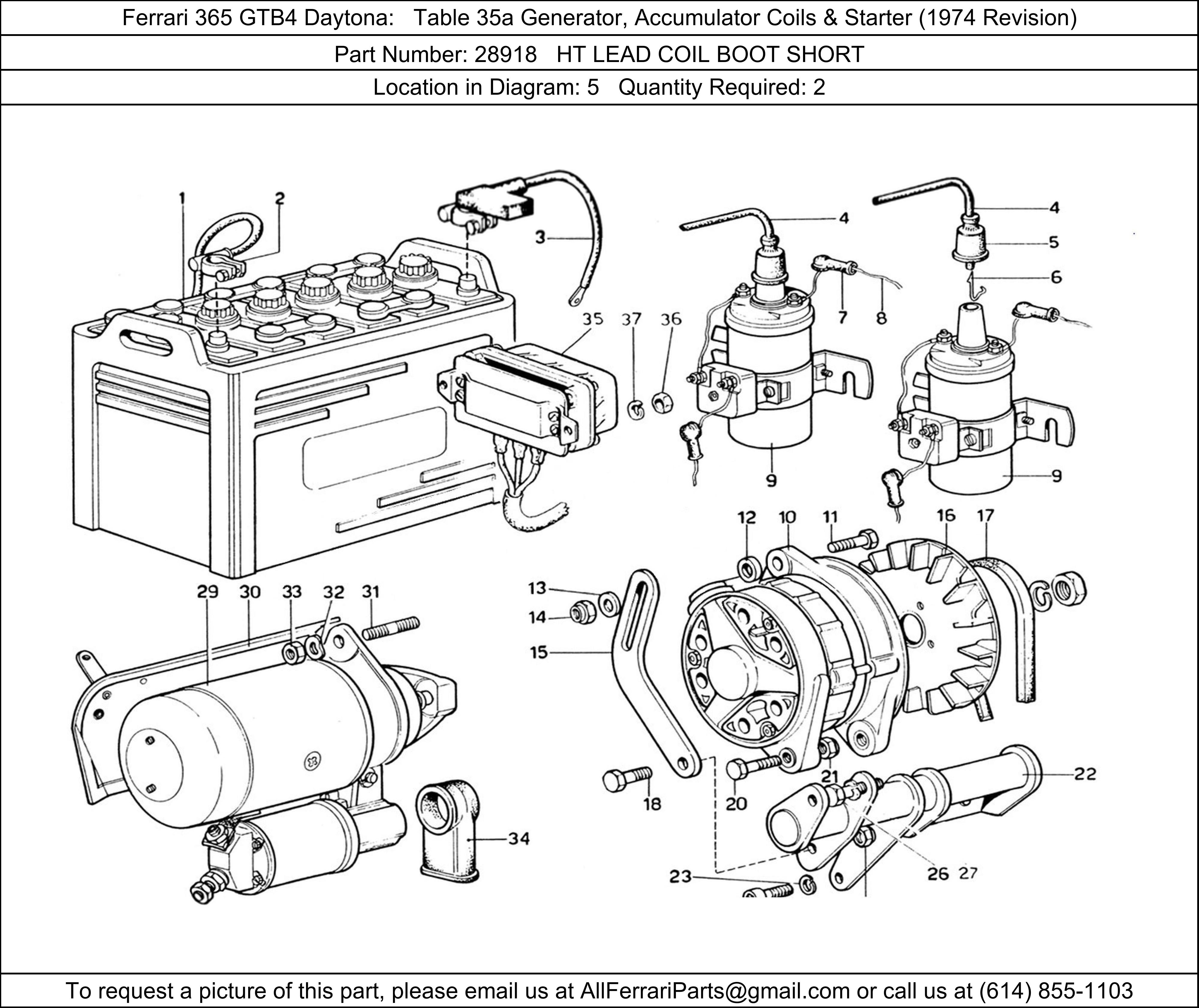
Ferrari Part Number 28918 in Ferrari 365 GTB4 Daytona Table 35a Generator, Accumulator Coils & Starter (1974 Revision)

Product Description

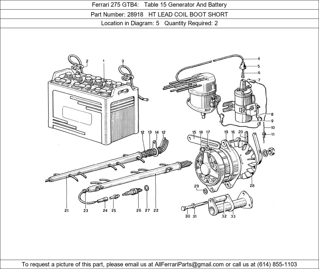
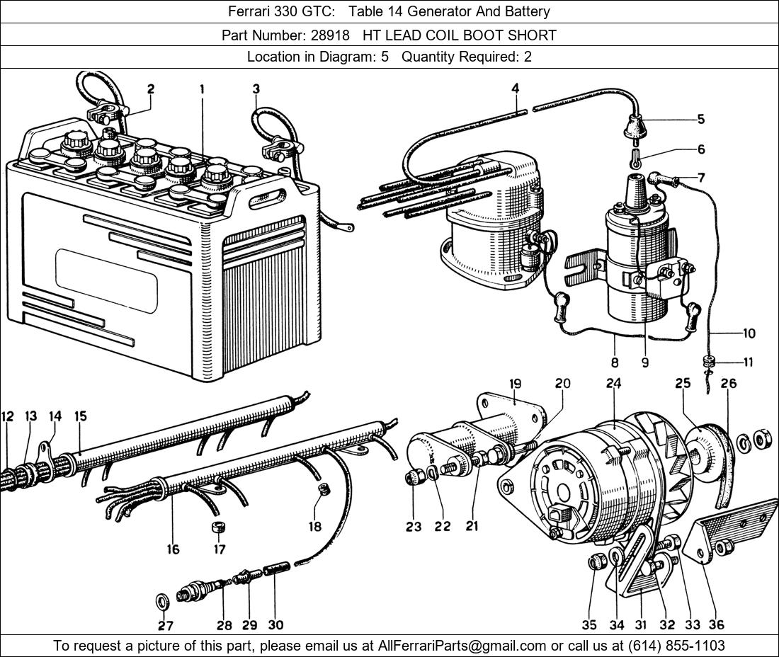
Ferrari Part 28918, HT LEAD COIL BOOT SHORT, shown here as used in Ferrari 365 GTB4 Daytona Table 35a Generator, Accumulator Coils & Starter (1974 Revision). Other uses of this part are shown below:

Ferrari Part 28918

Ferrari Part 28918

Ferrari Part 28918

Ferrari Part 28918

Ferrari Part 28918

Ferrari Part 28918

Ferrari Part 28918