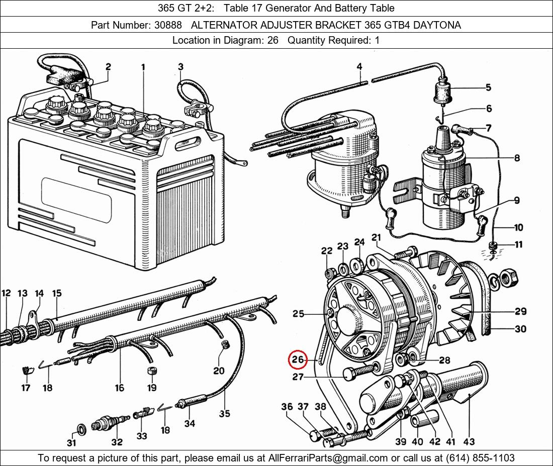
Ferrari Part 30888 in Ferrari 365 GT 2+2

$102.00