Ferrari Part 30894 in Ferrari 365 GT 2+2

Product Description

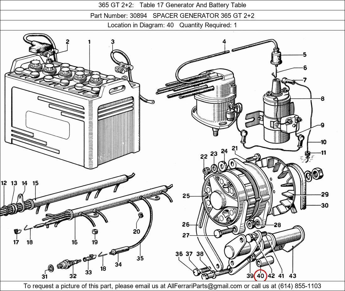
Ferrari Part Number 30894, SPACER GENERATOR 365 GT 2+2 shown here as used in 365 GT 2+2 Table 17 Generator And Battery Table. Location in Diagram: 40. Required Quantity: 1