Home > Ferrari Part 54416474 in Ferrari 365 GT 2+2
Ferrari Part 54416474 in Ferrari 365 GT 2+2
Product Description
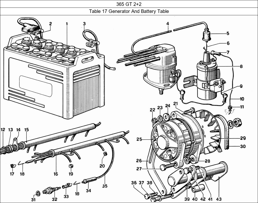
Ferrari Part Number 54416474, TERMINAL RESIN LONG shown here as used in 365 GT 2+2 Table 17 Generator And Battery Table. Location in Diagram: 47. Required Quantity: 1