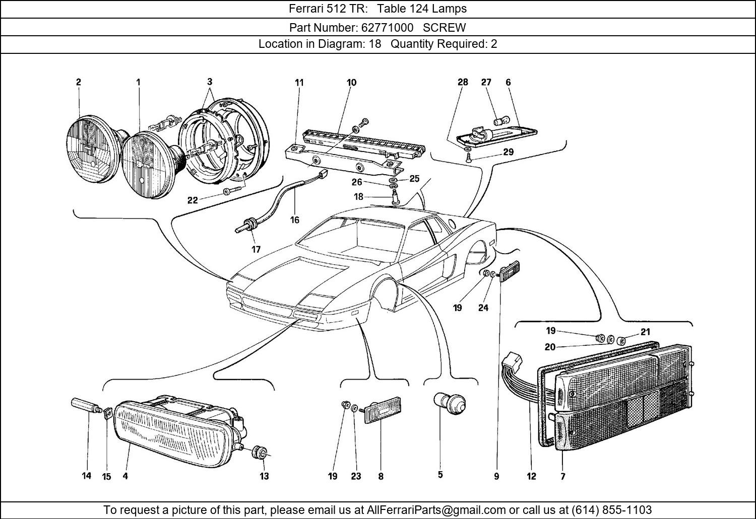
Ferrari Part Number 62771000 in Ferrari 512 TR Table 124 Lamps

$6.00

Product Description

Ferrari Part 62771000, SCREW, shown here as used in Ferrari 512 TR Table 124 Lamps. Other uses of this part are shown below:

Ferrari Part 62771000