Home > Ferrari Part Number 62773900 in Ferrari 550 Maranello Table 118 Doors Opening Control And Hinges
Ferrari Part Number 62773900 in Ferrari 550 Maranello Table 118 Doors Opening Control And Hinges
Product Description
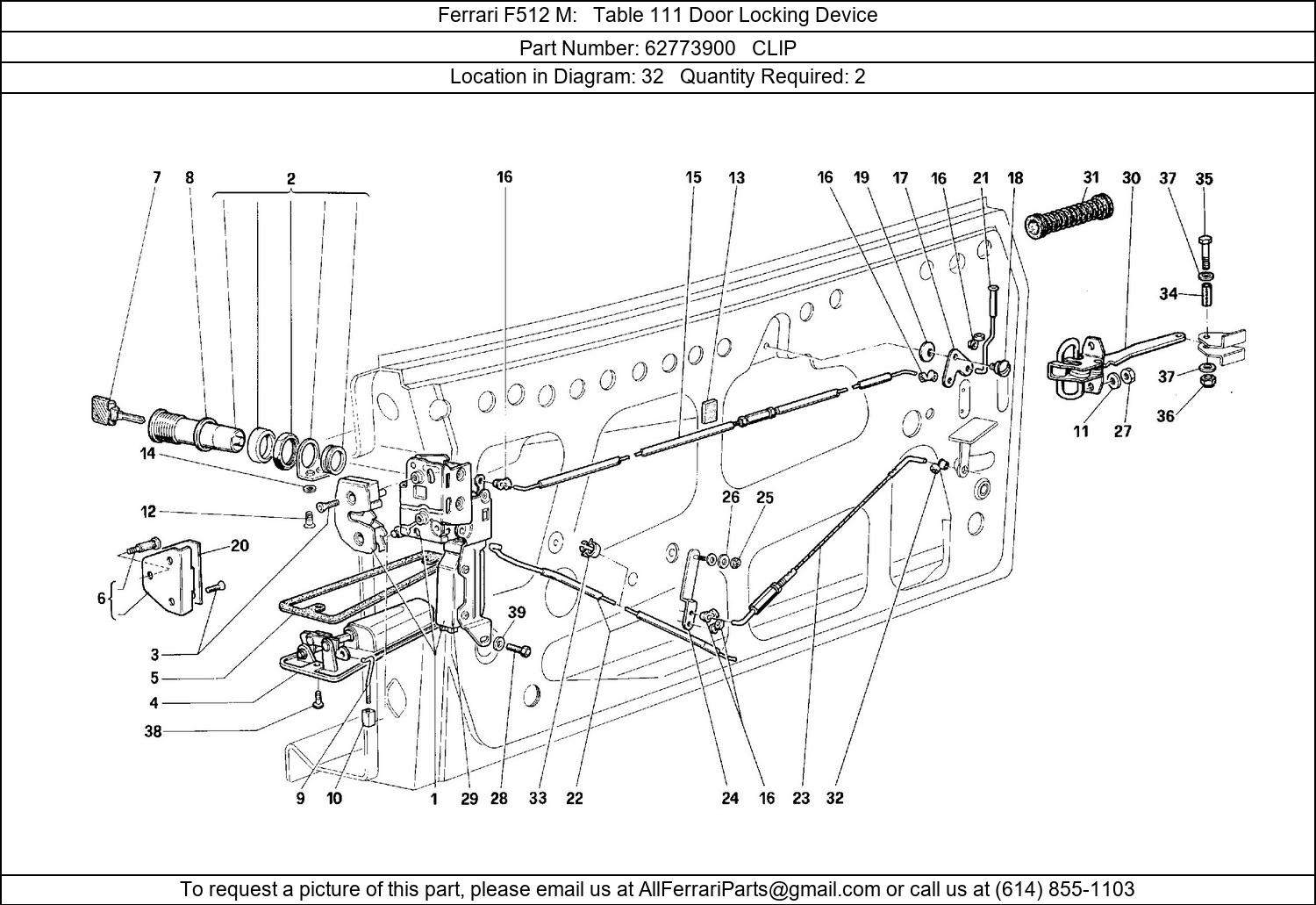
Ferrari Part 62773900, CLIP, shown here as used in Ferrari 550 Maranello Table 118 Doors Opening Control And Hinges. Other uses of this part are shown below: