Ferrari Part 660636 in Ferrari 365 GT 2+2

Product Description

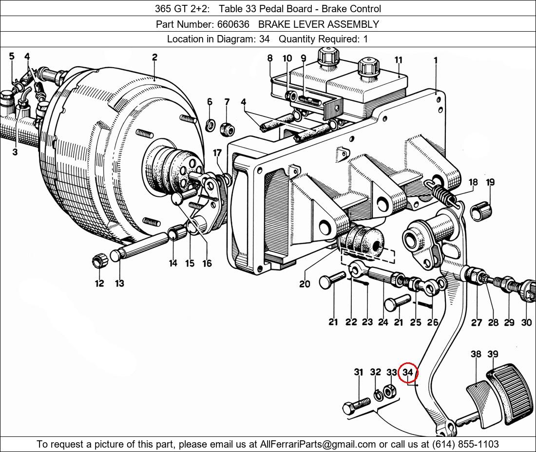
Ferrari Part Number 660636, BRAKE LEVER ASSEMBLY shown here as used in 365 GT 2+2 Table 33 Pedal Board - Brake Control. Location in Diagram: 34. Required Quantity: 1