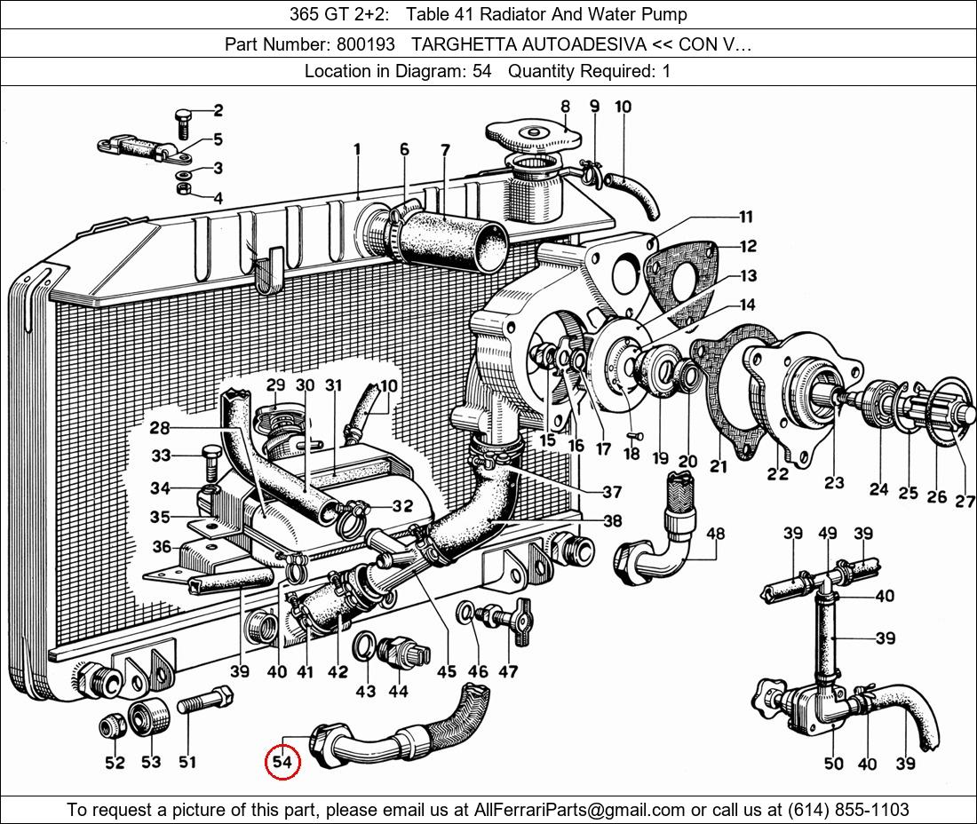
Ferrari Part 800193 in Ferrari 365 GT 2+2

Product Description

Ferrari Part Number 800193, TARGHETTA AUTOADESIVA << CON V… shown here as used in 365 GT 2+2 Table 41 Radiator And Water Pump. Location in Diagram: 54. Required Quantity: 1