Ferrari Part 800245 in Ferrari 365 GT 2+2

Product Description

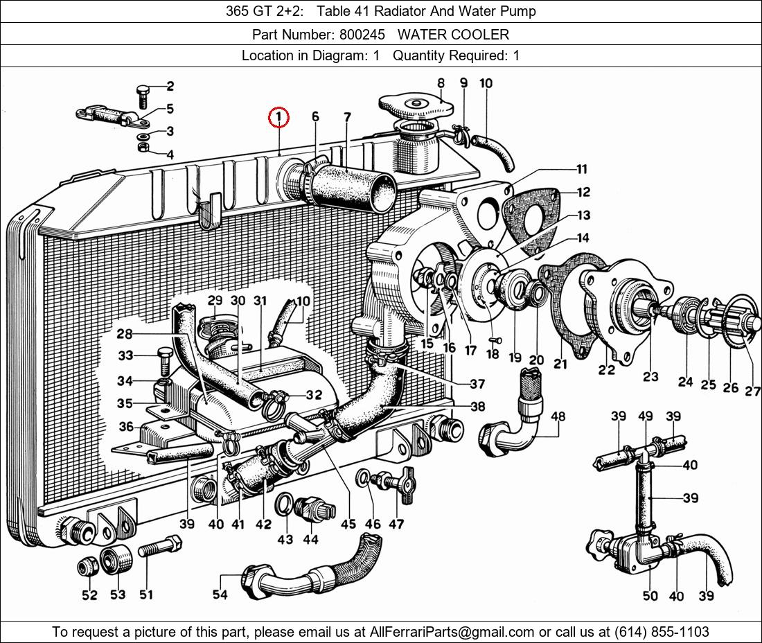
Ferrari Part Number 800245, WATER COOLER shown here as used in 365 GT 2+2 Table 41 Radiator And Water Pump. Location in Diagram: 1. Required Quantity: 1