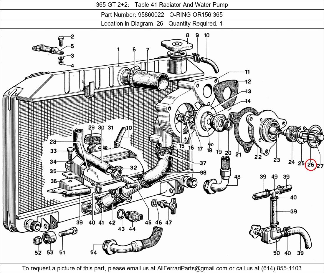
Ferrari Part 95860022 in Ferrari 365 GT 2+2

$5.00