


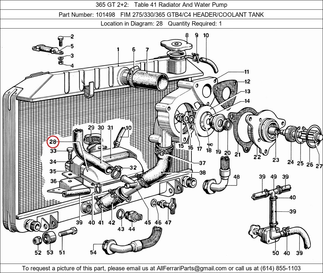
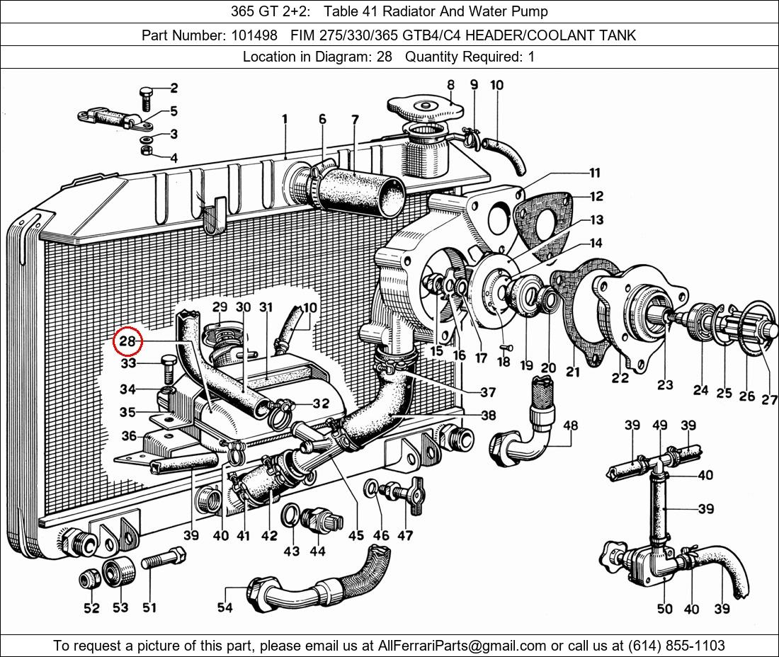
Ferrari Part Number 101498, FIM 275/330/365 GTB4/C4 HEADER/COOLANT TANK shown here as used in 365 GT 2+2 Table 41 Radiator And Water Pump. Location in Diagram: 28. Required Quantity: 1. This Ferrari part is used in more than one diagram. Click on the diagrams below to see alternative uses of this part: