Ferrari Part 106755 in Ferrari 365 GT 2+2

Product Description

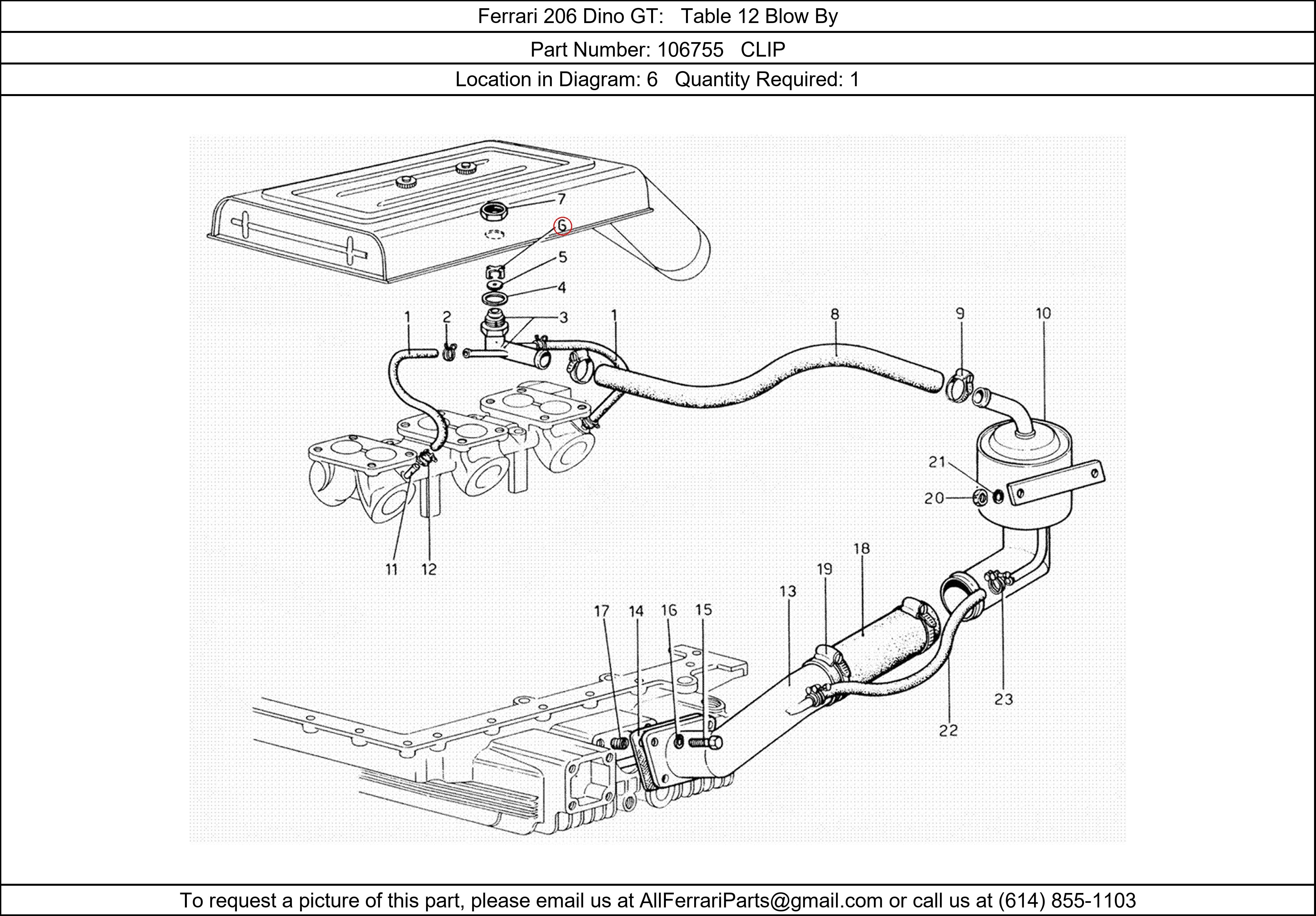
Ferrari Part Number 106755, CLIP shown here as used in 365 GT 2+2 Table 7 Air Inlet With Blow-By. Location in Diagram: 18. Required Quantity: 2. This Ferrari part is used in more than one diagram. Click on the diagrams below to see alternative uses of this part:

Ferrari Part 106755 Ferrari Part 106755 Ferrari Part 106755