Ferrari Part 19276 in Ferrari 365 GT 2+2

Product Description

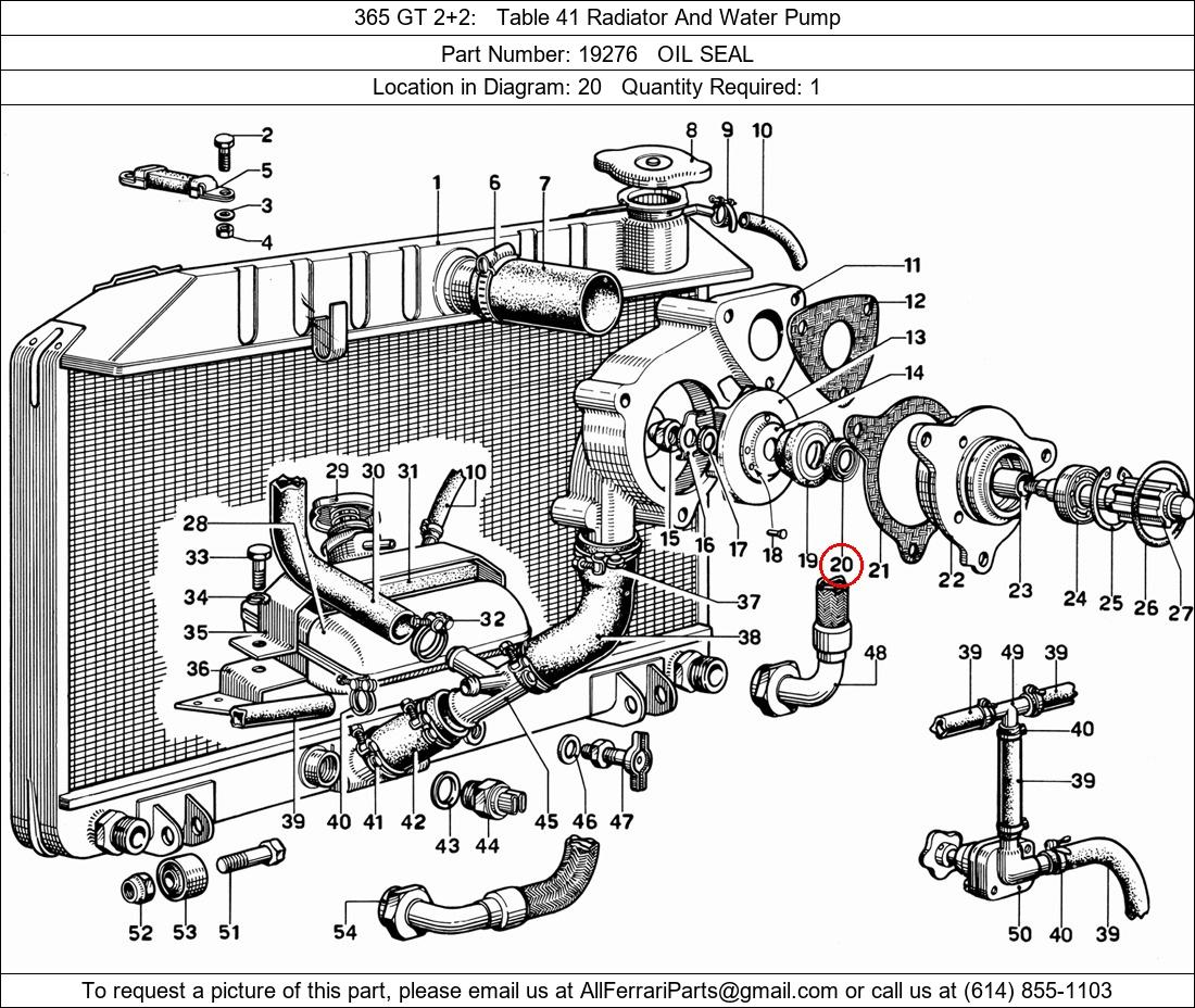
Ferrari Part Number 19276, OIL SEAL shown here as used in 365 GT 2+2 Table 12 Timing (Accessories). Location in Diagram: 36. Required Quantity: 1. This Ferrari part is used in more than one diagram. Click on the diagrams below to see alternative uses of this part:

Ferrari Part 19276 Ferrari Part 19276 Ferrari Part 19276