Ferrari Part 660525 in Ferrari 365 GT 2+2

Product Description

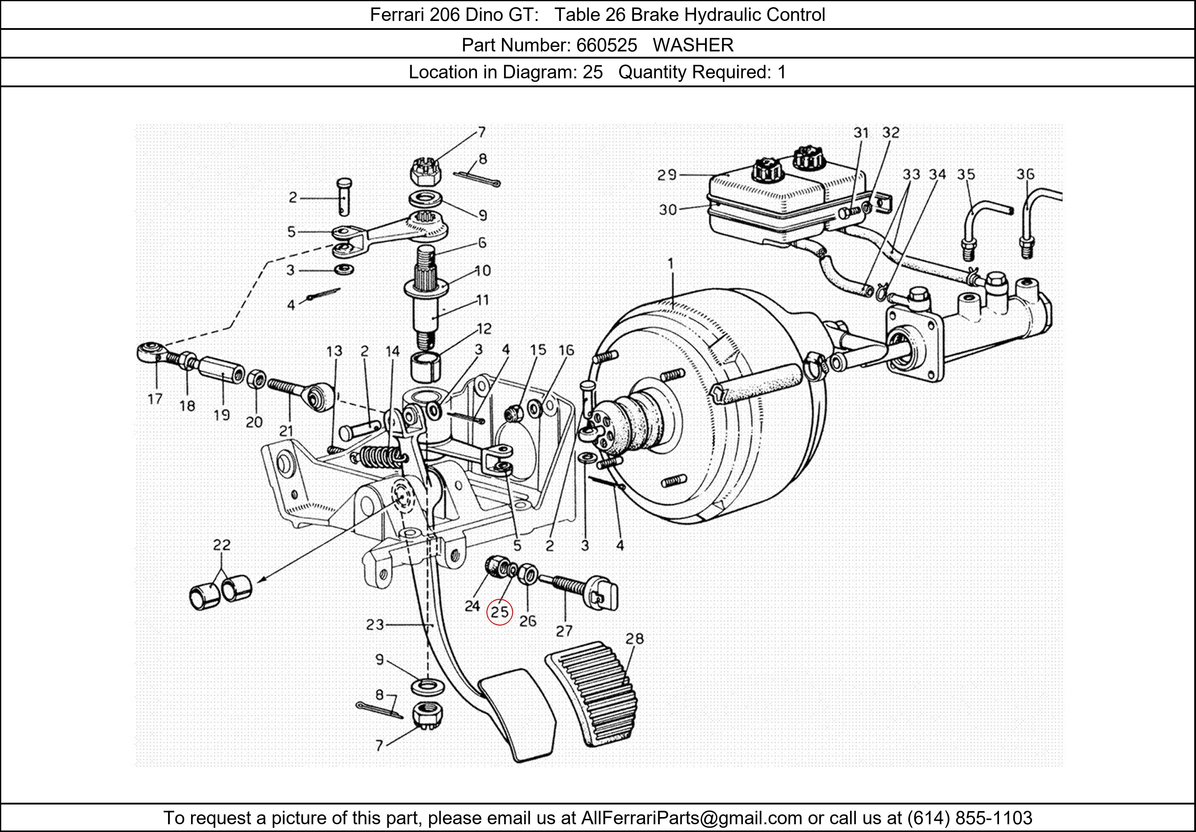
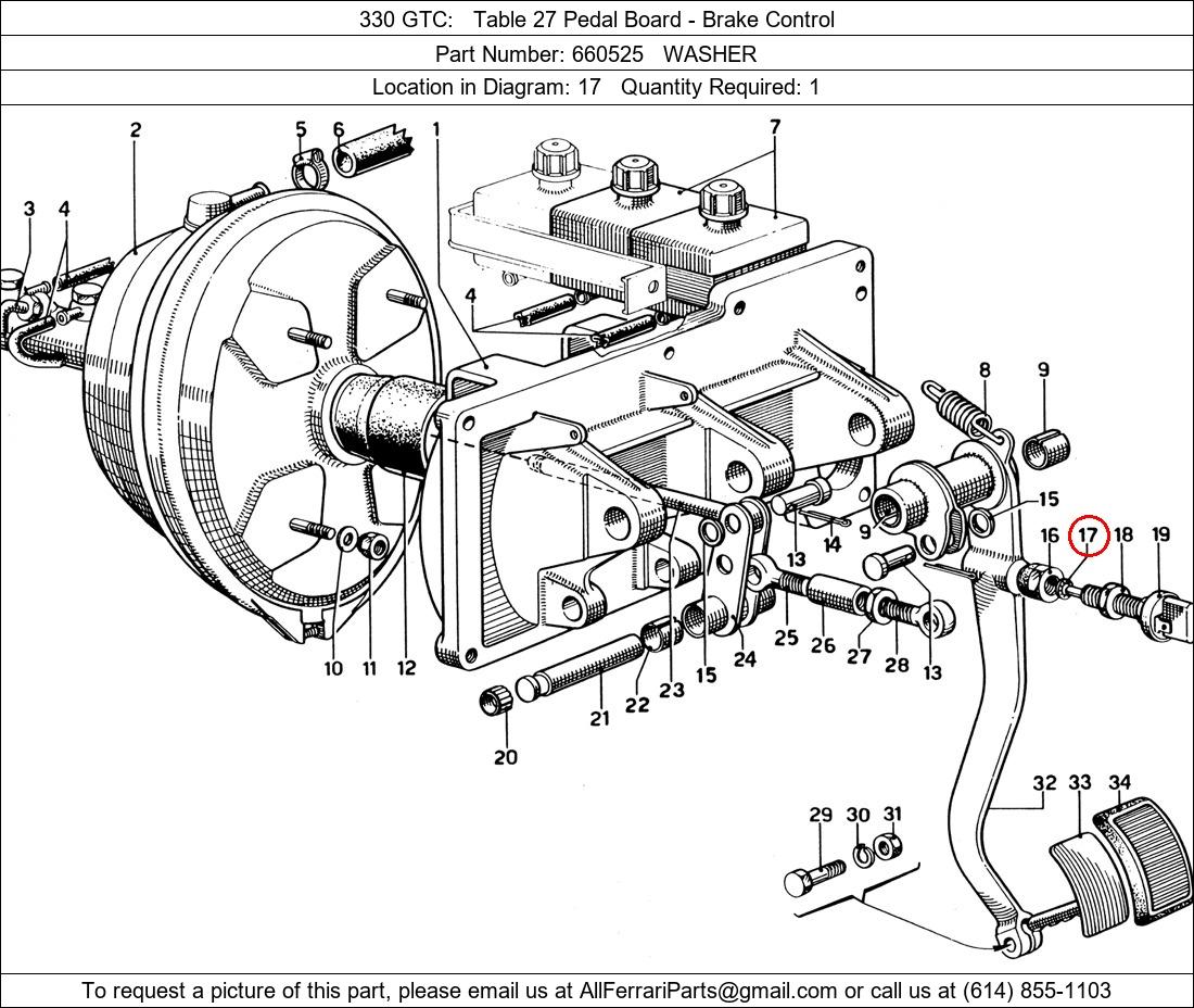
Ferrari Part Number 660525, WASHER shown here as used in 365 GT 2+2 Table 33 Pedal Board - Brake Control. Location in Diagram: 28. Required Quantity: 1. This Ferrari part is used in more than one diagram. Click on the diagrams below to see alternative uses of this part:

Ferrari Part 660525 Ferrari Part 660525 Ferrari Part 660525