Ferrari Part 680449 in Ferrari 365 GT 2+2

Product Description

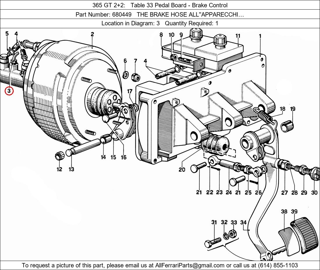
Ferrari Part Number 680449, THE BRAKE HOSE ALL''APPARECCHI… shown here as used in 365 GT 2+2 Table 34 Brake System Scheme. Location in Diagram: 4. Required Quantity: 1. This Ferrari part is used in more than one diagram. Click on the diagrams below to see alternative uses of this part:

Ferrari Part 680449 Ferrari Part 680449 Ferrari Part 680449