Ferrari Part 76377 in Ferrari 365 GT 2+2

Product Description

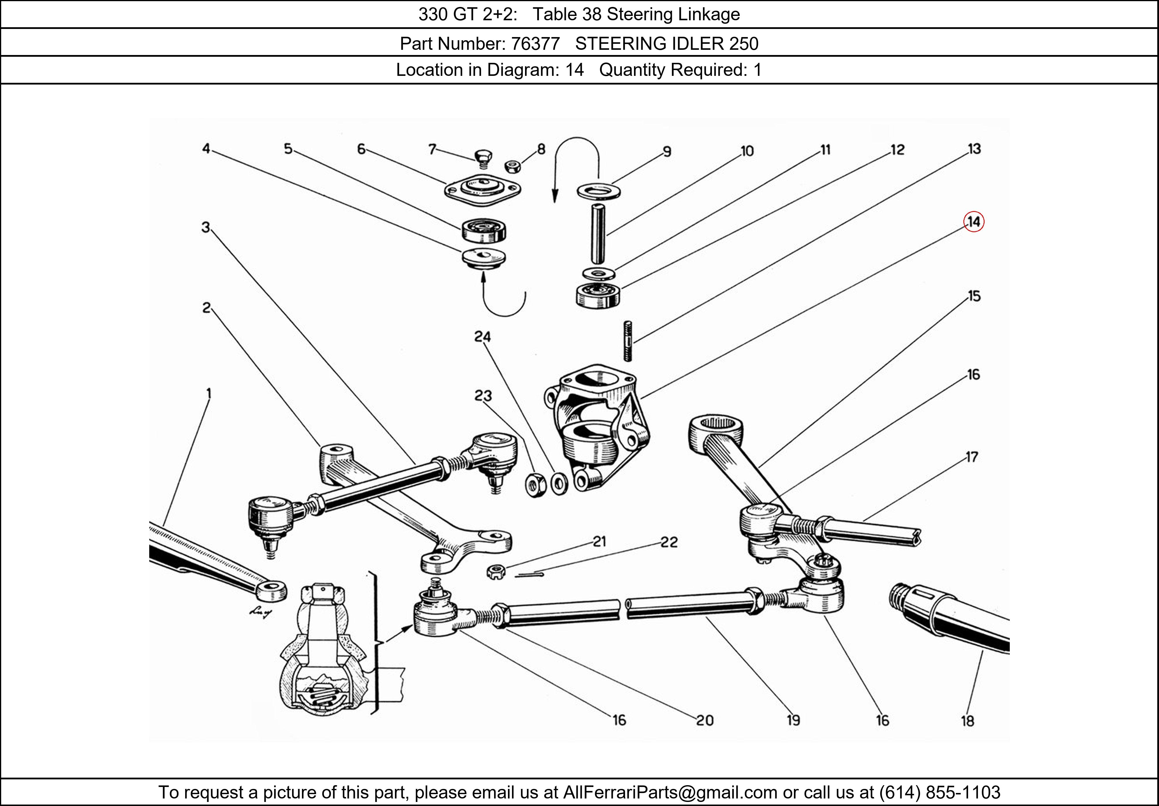
Ferrari Part Number 76377, STEERING IDLER 250 shown here as used in 365 GT 2+2 Table 40 Steering Linkage. Location in Diagram: 19. Required Quantity: 1. This Ferrari part is used in more than one diagram. Click on the diagrams below to see alternative uses of this part:

Ferrari Part 76377 Ferrari Part 76377 Ferrari Part 76377 Ferrari Part 76377 Ferrari Part 76377 Ferrari Part 76377 Ferrari Part 76377 Ferrari Part 76377 Ferrari Part 76377