Ferrari Part 800181 in Ferrari 365 GT 2+2

Product Description

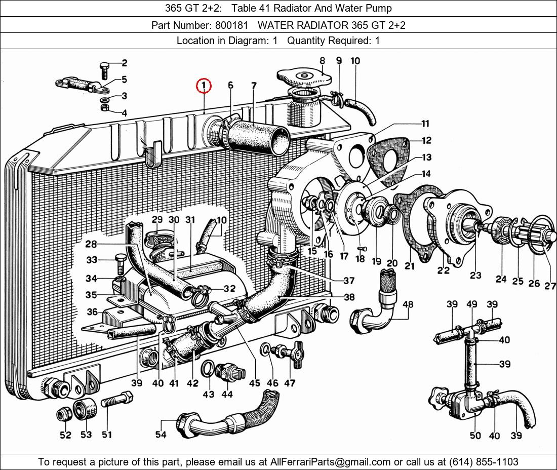
Ferrari Part Number 800181, WATER RADIATOR 365 GT 2+2 shown here as used in 365 GT 2+2 Table 44 Air Conditioning Layout Scheme. Location in Diagram: 15. Required Quantity: 1. This Ferrari part is used in more than one diagram. Click on the diagrams below to see alternative uses of this part:

Ferrari Part 800181 Ferrari Part 800181