Ferrari Part 9111161 in Ferrari 365 GT 2+2

$125.00

Product Description

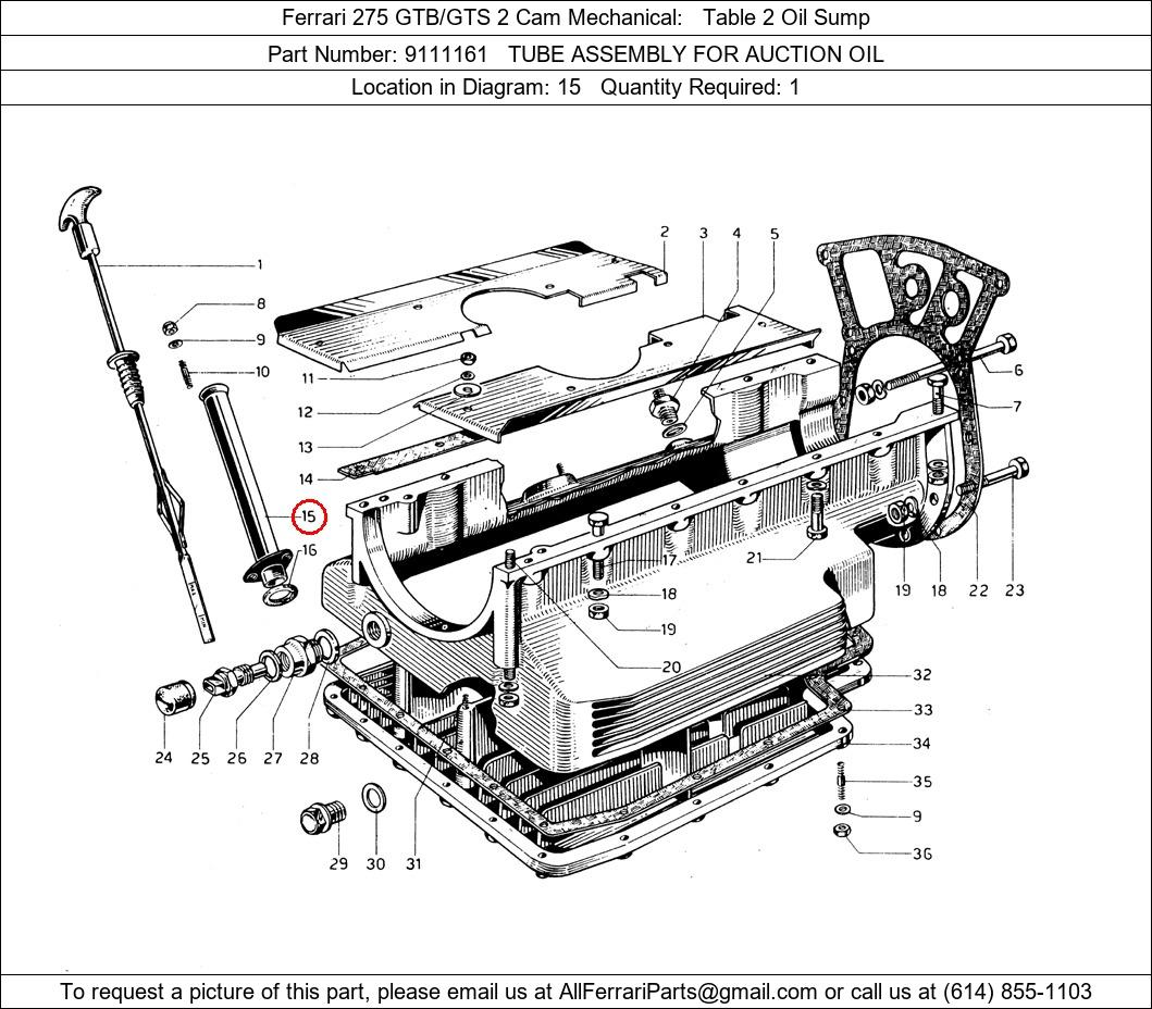
Ferrari Part Number 9111161, TUBE ASSEMBLY FOR AUCTION OIL shown here as used in 365 GT 2+2 Table 2 Oil Sump. Location in Diagram: 15. Required Quantity: 1. This Ferrari part is used in more than one diagram. Click on the diagrams below to see alternative uses of this part:

Ferrari Part 9111161 Ferrari Part 9111161 Ferrari Part 9111161