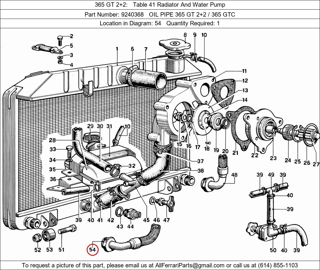
Ferrari Part 9240368 in Ferrari 365 GT 2+2

$1,060.00

Product Description

Ferrari Part Number 9240368, OIL PIPE 365 GT 2+2 / 365 GTC shown here as used in 365 GT 2+2 Table 15 Oil Pressure Valve. Location in Diagram: 7. Required Quantity: 1. This Ferrari part is used in more than one diagram. Click on the diagrams below to see alternative uses of this part:

Ferrari Part 9240368 Ferrari Part 9240368