Ferrari Part 95192 in Ferrari 365 GT 2+2

Product Description

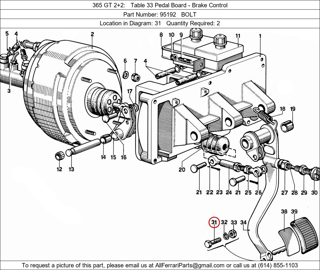
Ferrari Part Number 95192, BOLT shown here as used in 365 GT 2+2 Table 33 Pedal Board - Brake Control. Location in Diagram: 31. Required Quantity: 2. This Ferrari part is used in more than one diagram. Click on the diagrams below to see alternative uses of this part:

Ferrari Part 95192 Ferrari Part 95192 Ferrari Part 95192